近日,三明市发展和改革委员会三明市工业和信息化局三明市财政局联合发布《三明市水泥行业
超低排放改造实施方案》,要求新改扩建(含搬迁)水泥项目要达到超低排放水平,鼓励2500吨/日新型干法窑“上大压小”,改造为5000吨/日及以上,同步达到超低排放水平。。计划2025年底前,全市所有水泥熟料企业、独立水泥粉磨站有组织排放、无组织排放、
清洁运输全面完成超低排放改造。
三明市水泥行业超低排放改造实施方案
为贯彻落实福建省生态环境厅等4部门《关于全面实施水泥行业超低排放改造的意见》有关要求,全面推进水泥行业实施超低排放改造,促进行业高质量发展,持续改善环境空气质量,制定本方案。
一、总体要求
以习近平新时代中国特色社会主义思想为指导,全面贯彻落实党的二十大精神,深入践行习近平生态文明思想,坚持减污降碳协同增效,全面提升水泥行业污染治理能力和管理水平,以降低污染物排放总量为目标,突出重点、分类施策、分步推进,实施水泥行业全工序、全流程超低排放改造,促进水泥行业高质量发展,推动空气质量持续改善。
二、实施范围
水泥行业超低排放实施范围包括水泥熟料生产企业和独立水泥粉磨站(含生产特种水泥、协同处置固废的水泥企业)。
三、主要目标
新改扩建(含搬迁)水泥项目要达到超低排放水平,鼓励2500吨/日新型干法窑“上大压小”,改造为5000吨/日及以上,同步达到超低排放水平。
2023年底前,南方水泥、红狮水泥、永安金牛、安砂建福水泥企业4500吨/日及以上熟料生产线有组织排放基本完成改造。
2024年底前,三明金牛、将乐金牛、永安建福、永安万年、新岩水泥4500吨/日及以上熟料生产线有组织排放基本完成改造;永安万年、金银湖水泥2500吨/日熟料生产线有组织排放基本完成改造;同时全市4500吨/日及以上新型干法窑无组织排放基本完成改造;永安谋成水泥2条2500吨/日新型干法窑完成“上大压小”,改造为5000吨/日,同步达到超低排放水平。
2025年底前,全市所有水泥熟料企业、独立水泥粉磨站有组织排放、无组织排放、清洁运输全面完成超低排放改造(详见附件1、2)。
四、主要指标要求
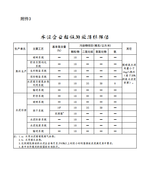
水泥企业超低排放是指所有生产环节(破碎、粉磨、配料、熟料煅烧、烘干、协同处置等,以及原料、燃料和产品储存运输)的大气污染物有组织、无组织排放及运输过程实施超低排放,完善监测监控设施,系统提升环境管理水平。水泥企业应按照附件3和附件4中的具体指标要求全面推进超低排放改造。
五、重点任务
(一)严格项目准入及产能置换。结构优化上,推动水泥行业集中集聚发展,优化产业结构,形成规模效益,降低单位产品能耗,坚决淘汰落后产能和工艺装备。项目准入上,拟建、在建项目严格对照超低排放、能效标杆水平建设实施。产能置换上,严格执行水泥熟料产能减量置换有关规定,严禁盲目新增水泥产能。列入淘汰退出计划的企业或设施不再要求实施超低排放改造。
(二)有序推进
超低排放改造
1.加快有组织排放改造。强化源头控制,水泥窑配备低氮燃烧器,采用分级燃烧及其他分解炉氧含量精细化管控等低氮燃烧技术;采取有效措施控制氨逃逸。加强过程管控,推动取消烟气旁路,确因安全生产需要暂时保留的,在非紧急情况下保持关闭并铅封,通过安装自动监测设备、流量计等方式加强监管,鼓励在旁路设置感应式阀门,阀门开启状态、开度等信号接入中控系统;水泥窑协同处置固体废物企业应将旁路放风烟气引入窑尾合并排放。规范末端治理,应采用规范高效的除尘、脱硫设施,鼓励采用SCR等成熟高效稳定的脱硝技术。
2.强化无组织排放控制。物料存储方面,应采用密闭、封闭等有效治理措施,鼓励采用全封闭机械化料场、筒仓、圆库等方式,产尘点应按照“应收尽收”原则合理配置废气收集设施,优化收集风量。物料转运方面,优化工艺流程,减少转运环节,降低物料落差,缩短运输距离;破碎机、磨机喂料装置应有密闭或封闭防尘措施,卸料口和除尘器出灰口安装锁风装置。
3.加强清洁运输改造。厂外运输方面,中长途运输优先采用铁路或水路,中短途运输优先采用管廊或新能源车辆。厂内运输方面,应优先采用皮带、轨道、辊道运输系统转运物料,减少厂内物料二次倒运及汽车运输量;鼓励使用新能源非道路移动机械。
(三)提升企业环境管理水平。加强监管平台建设,完善监测监控设备,规范运行维护,实现全过程、全方位数字化、信息化、智能化管理,增强企业对治污设施、清洁运输等监控监管能力。监测监控方面,建设全厂一体化环境管控平台,安装分布式控制系统(DCS),在重点工序安装高清视频监控、关键点位布设空气质量监测微站、运输车辆进出厂区口安装门禁及视频监控等,增加水泥窑尾氨污染因子在线监测(详见附件5、6)。自动监测、DCS监控等数据至少要保存一年以上,视频监控数据至少要保存三个月以上。运行维护方面,企业应规范运行除尘、脱硫、脱硝设施,合理控制喷氨量,有效控制氨逃逸。
(四)协同推进减污降碳。推进原料替代,在保障水泥产品质量前提下,提高含钙、镁废渣资源替代石灰石比重;提高矿渣、粉煤灰工业废物掺加比例,降低熟料系数。推进燃料替代,利用水泥窑协同处置固体废弃物等替代煤炭;采用独立热源烘干的企业,鼓励使用天然气、电等清洁能源。推进工艺改造,严格执行水泥单位产品能源消耗限额要求,企业在规定时限内达到能效基准水平,确保到2025年全市标杆水平的水泥产能比例超过30%。对于能效低于行业基准水平的企业,应于2023年前完成改造升级。加快推广低阻旋风预热器、高效烧成、高效篦冷机、高效节能粉磨等节能技术装备。
(五)实施差异化管控。对水泥企业实施差异化管控,树立标杆,引导行业转型升级。对完成超低排放改造的水泥企业,在重污染天气绩效分级等方面予以倾斜;对未按时完成超低排放改造的水泥企业,不得评为A级、B级或引领性企业。
六、政策措施
(一)加强组织领导。市生态环境局、发改委、工信局等共同组织实施水泥行业超低排放改造,有关部门密切配合、形成合力,加强对地方工作指导,及时协调解决推进过程中的困难和问题。各有关县(市、区)按照超低排放改造时限要求,按时完成本地水泥企业超低排放改造任务,并于每月28日将《三明市水泥企业超低排放改造进展情况表》(详见附件7)报市生态环境局、工信局(电子邮箱:smhbwkk 126.com;YCL0598 126.com)。
(二)强化企业主体责任。各企业完成超低排放改造连续稳定运行一个月后,可自行或委托有能力的技术机构和有资质的监测机构,开展超低排放改造效果评估监测。稳定达到超低排放改造要求的,分别报送属地县级生态环境、工信等部门。行业协会要发挥桥梁纽带作用,指导企业开展超低排放改造和评估监测工作,在行业协会网站公示各企业超低排放改造和评估监测情况。
(三)加大政策支持力度。落实环境保护税法和购置环境保护专用设备企业所得税抵免优惠政策。将水泥超低排放改造项目作为争取中央、省级相关大气污染防治资金支持的重点。充分发挥标杆企业引领示范作用,对于已完成超低排放改造的水泥企业,减少或免除错峰生产停限产,并在年度碳配额发放中予以倾斜。积极发展绿色金融,鼓励金融机构支持节能降碳成效显著的重点项目融资,引导符合条件的节能低碳企业上市融资和再融资。
(四)加强执法监管。各有关县(市、区)要做好日常监督和执法检查,对水泥企业污染治理设施运行、原辅料采购与消耗记录、治理设施耗材的更换流转记录等进行检查,推动企业加强治污设施建设和运维管理,确保稳定达到国家或地方大气污染物排放标准。对已完成超低排放改造的,应加强事中事后监管,建立动态监督管理台账,组织开展“双随机”检查,对不能稳定实现超低排放的,及时调整出动态监督管理台账并依法查处,视情节取消相关优惠政策,并向社会公开。
(五)加强宣传引导。做好政策解读和宣贯,营造有利于开展水泥行业超低排放改造的良好舆论氛围,增强企业开展超低排放改造的责任感和荣誉感。市、县有关部门要积极跟踪相关舆情动态,及时回应社会关切,宣传报道地方和企业的优秀做法。各有关县(市、区)应将完成超低排放改造的水泥企业名单向社会公开,接受社会监督。
附件:1.水泥熟料企业超低排放改造进度安排表
2.水泥粉磨站企业超低排改造进度安排表
3.水泥企业超低排放指标限值
4.无组织排放控制及清洁运输要求
5.污染物排放监测监控安装点位
6.分布式控制系统(DCS)关键系数
7.三明市水泥企业超低排放改造进展情况表







